歐盟認證快訊:徐州科利達電控科技有限公司獲得歐盟強制CE認證證書;徐州科利達電控科技有限公司生產的料流檢測器、雙極跑偏開關、雙向拉繩開關、撕裂檢測器、速度檢測器等通過歐盟認證BST公告機構的CE認證安全評估,產品各項指標符合歐盟強制認證法規要求并取得CE認證證書。在此表示祝賀。登陸歐盟市場滿足歐盟法規要求,CEEU做您全球戰略布局基礎;


氣動推進器

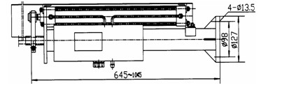
KTJ-Q-F-400氣動推進器

KTJ-Q-400/Z組合氣動推進器
選擇原型:在現場條件的情況下,優先選用氣動推進器,便于維護,故障率低。建議選組合推進器,結構緊湊,運動精度高。我公司除提供常規產品外,還可根據用戶的需要進行各種推進執行機構的設計、制造,因此用戶在選型前可以同我公司取得聯系。
電動推進器

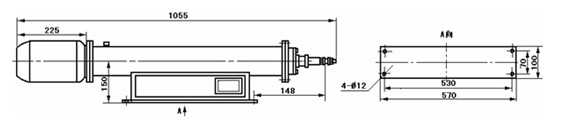
KTJ-D-F-400電動推進器

KTJ-D-D-400電動推進器

KTJ-D-300/Z組合電動推進器