歐盟認證快訊:徐州科利達電控科技有限公司獲得歐盟強制CE認證證書;徐州科利達電控科技有限公司生產的料流檢測器、雙極跑偏開關、雙向拉繩開關、撕裂檢測器、速度檢測器等通過歐盟認證BST公告機構的CE認證安全評估,產品各項指標符合歐盟強制認證法規要求并取得CE認證證書。在此表示祝賀。登陸歐盟市場滿足歐盟法規要求,CEEU做您全球戰略布局基礎;



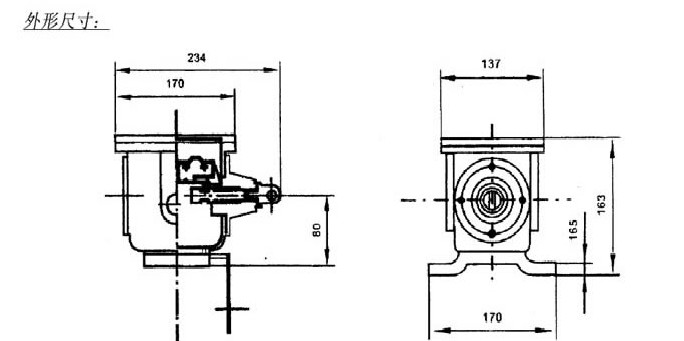
DB-100撕裂開關
在皮帶出現由于撕裂、戳穿、交界處損壞或銳利物凸出皮帶時,撕裂開關能給監視人員提供報警信號或關掉輸送機。
撕裂開關成對安裝在皮帶兩側,由兩段乙烯外套的航空鋼絲繩連接起來。繩的一端永久固定在支撐托架上,另一端連接在撕裂開關的拉環上。兩段線繩在皮帶下面行程里一個閉合的回路,當物體或撕裂的皮帶懸吊下來、掃落一條或兩條線繩時,即探測出故障。因為線繩的受力作用下,它把拉環軸向外拉出卻使自銷手柄向上彈起,此時機內兩個微動快關發出報警或關掉輸送機。故障排除后將自銷手柄往下按,是機內的凸輪軸復位待開機。


二、特點
?結構簡單、牢固,不需維護。
?帶防腐層的鑄鋁外殼。
?重載微型開關觸點。
?作用力只需0.9kg即可觸發開關。
三、技術參數
?-B型,2個進口歐姆龍微動開關,
?殼體防塵、防雨、適合室內外安裝;
?一常開、一常閉、配用四芯電纜、長1.5m,線色紅蘭為常開、黑白為常閉;
?開關額定值為20A、125,250V或480VAC。
?開關可根據需要接成常開或常閉形式。
四、安裝與調試
?撕裂開關設置在受料段膠帶下緩沖托輥之間。
?按上安裝支架和撕裂開關,撕裂開關的拉環要與膠帶邊緣同高,若高度不夠可在支架下加上墊鐵或槽鋼,測好高度后再把支架與支座焊牢。
?掛上攔索:一端穿過撕裂開關的拉環用索扣扣死,另一端穿過對方撕裂開關支架中間的圓孔待用。
?安裝好二只撕裂開關和掛兩條纜索。再加30度彎角處把兩條攔索扣在一起,但不能扣死要活動。
?收緊雙方支架中間孔內的攔索然后扣死索扣。
?攔索的松緊:一般作用在0.9kg即可觸發開關為宜。
?膠帶在荷載下沉時要與纜繩保持5mm-10mm即可。
